DELEKS S.r.l.
Via Industriale, 23
25028 Verolanuova (BS) Italy
Tel. 030 6585725
Mail info@deleks.com
Lun - Ven: 9.00-13.00 / 14.00-18.00
Velkoppen, boomschaar / grijper voor minigraafmachine - 100% HARDOX
DETAILS
Hydraulische kapgrijper, velgrijper, boomschaar - Italiaanse productie - 100% Hardox, gehard stalen blad, voor het kappen en verwerken van bomen en stammen ø 10 cm.
OVERZICHT
De CF-10 is ideaal voor het oogsten van minderwaardig hout en hout voor de energievoorziening, voor het vrijmaken van velden en bermen.
De hydraulische snoeischaar van de DELEKS® CF-10 minigraafmachine kan worden gebruikt om bomen te vellen of om dunner hout samen met de grijper te bundelen voor het knippen. De schaar heeft een sterk gehard blad dat strak en veilig door het hout snijdt.
De schaar is leverbaar als vaste of volledig 360° roterende schaar met een hydraulische rotator om bomen te ontlasten of omgevallen hout te knippen.
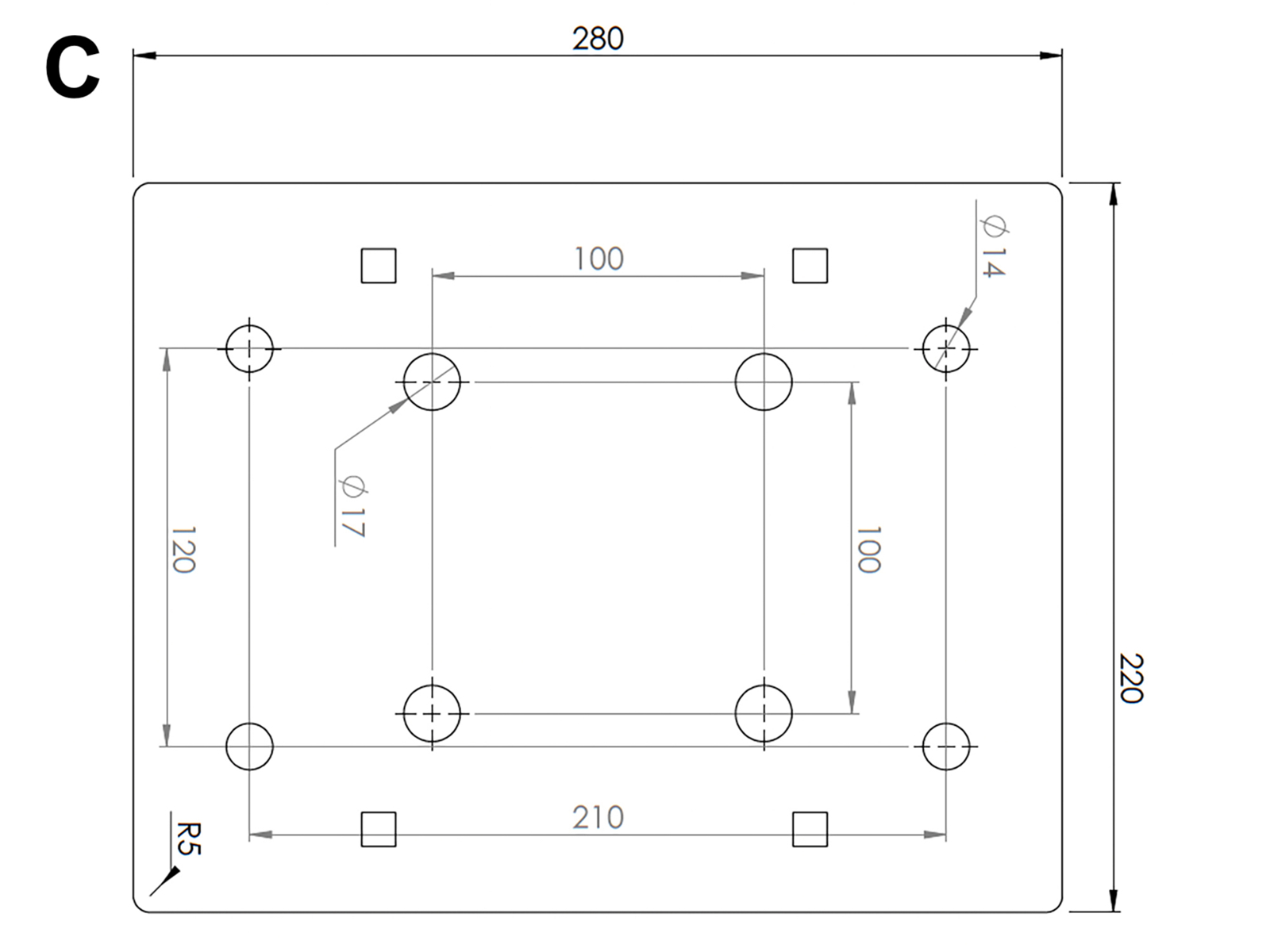
Afmetingen grijper: zie tekening C.
VOORDELEN EN KENMERKEN
Gemaakt van 100% Hardox voor maximale weerstand tegen verdraaiing.
Blad gemaakt in Italië gehard 43 HRC.
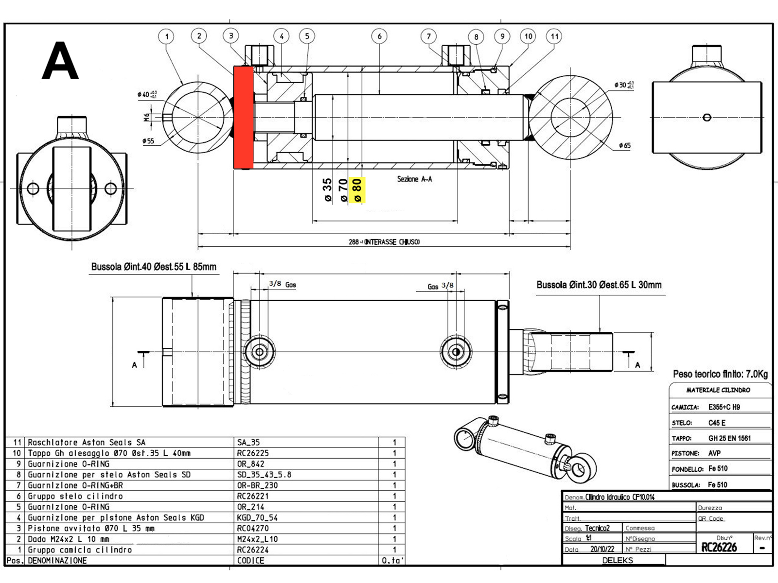
Speciaal voor deze toepassing ontworpen hydraulische cilinder met versterkte basis voor hoge belastingen (zie tekening A).
Pennen in speciaal materiaal 42CrMo4 ø30 en ø35 mm (zie tekening B).
De kapgrijper is eenvoudig te bevestigen en te gebruiken.
De CF-10 is de kleinste snoeischaar in het gamma en dankzij het lichte gewicht kan de minigraafmachine zijn capaciteit behouden.
Snijden dicht bij de grond> lage stronk: DELEKS® CF-10 snijdt het te oogsten hout zuiver en precies op het gewenste punt van de grond en zijn technische kenmerken zorgen ervoor dat de stronken diep dicht bij de grond worden gesneden.
2-in-1: Snijden en laden - indien nodig kan het snijblad worden verwijderd. In dat geval werkt de velkop als een houtgrijper.
KENMERKEN
| Kenmerk | Eenheden metrisch |
|---|---|
| Gewicht | 52.0 kg |
| Diameter stam | 90-120 mm |
| Oliedruk | 150 - 210 bar |
| Optimaal olietoevoer | 08/22 l/m |
| Max. Openingsbreedte | 540.0 mm |
| Diameter hydraulische cilinder | 80.0 - 35.0 mm |
| Minigraafmachine gewichtscategorie | 1.0 - 2.0 ton |
| Verpakkingsmaten | 600.0*800.0*450.0 mm |
DETAILS
SLUITENHydraulische kapgrijper, velgrijper, boomschaar - Italiaanse productie - 100% Hardox, gehard stalen blad, voor het kappen en verwerken van bomen en stammen ø 10 cm.
OVERZICHT
De CF-10 is ideaal voor het oogsten van minderwaardig hout en hout voor de energievoorziening, voor het vrijmaken van velden en bermen.
De hydraulische snoeischaar van de DELEKS® CF-10 minigraafmachine kan worden gebruikt om bomen te vellen of om dunner hout samen met de grijper te bundelen voor het knippen. De schaar heeft een sterk gehard blad dat strak en veilig door het hout snijdt.
De schaar is leverbaar als vaste of volledig 360° roterende schaar met een hydraulische rotator om bomen te ontlasten of omgevallen hout te knippen.
Afmetingen grijper: zie tekening C.
VOORDELEN EN KENMERKEN
Gemaakt van 100% Hardox voor maximale weerstand tegen verdraaiing.
Blad gemaakt in Italië gehard 43 HRC.
Speciaal voor deze toepassing ontworpen hydraulische cilinder met versterkte basis voor hoge belastingen (zie tekening A).
Pennen in speciaal materiaal 42CrMo4 ø30 en ø35 mm (zie tekening B).
De kapgrijper is eenvoudig te bevestigen en te gebruiken.
De CF-10 is de kleinste snoeischaar in het gamma en dankzij het lichte gewicht kan de minigraafmachine zijn capaciteit behouden.
Snijden dicht bij de grond> lage stronk: DELEKS® CF-10 snijdt het te oogsten hout zuiver en precies op het gewenste punt van de grond en zijn technische kenmerken zorgen ervoor dat de stronken diep dicht bij de grond worden gesneden.
2-in-1: Snijden en laden - indien nodig kan het snijblad worden verwijderd. In dat geval werkt de velkop als een houtgrijper.
KENMERKEN
SLUITEN| Kenmerk | Eenheden metrisch |
|---|---|
| Gewicht | 52.0 kg |
| Diameter stam | 90-120 mm |
| Oliedruk | 150 - 210 bar |
| Optimaal olietoevoer | 08/22 l/m |
| Max. Openingsbreedte | 540.0 mm |
| Diameter hydraulische cilinder | 80.0 - 35.0 mm |
| Minigraafmachine gewichtscategorie | 1.0 - 2.0 ton |
| Verpakkingsmaten | 600.0*800.0*450.0 mm |
English
Deutsch
